Новинка
Артикул:
9041306
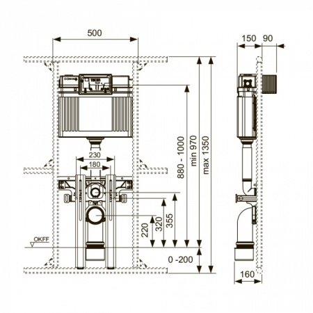
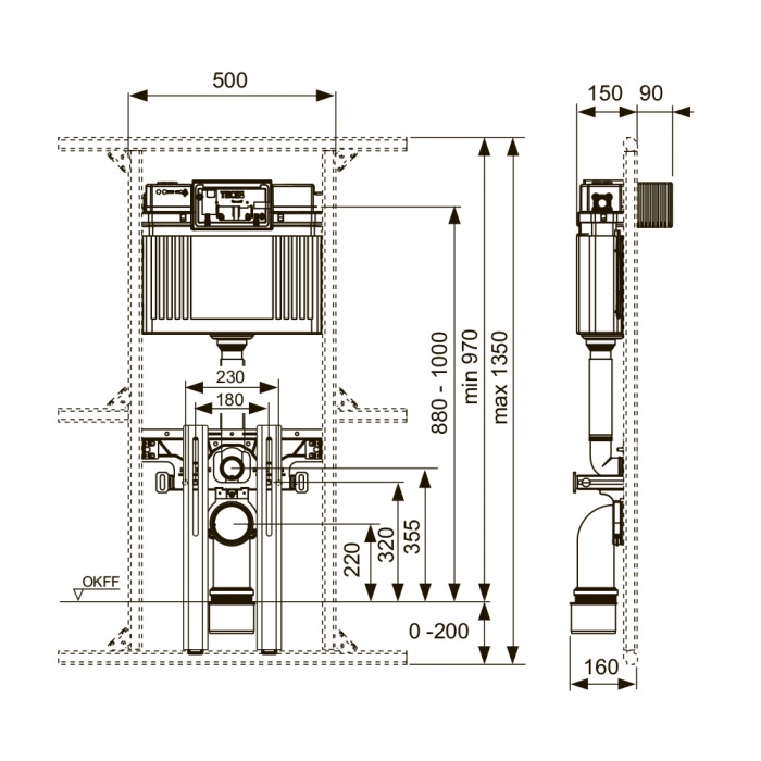
Для установки в стальной профиль TECEprofil.
Сливной бачок Uni 2.0 для фронтальной установки панели смыва:
Сливной бачок Uni 2.0 для фронтальной установки панели смыва:
- Надежный бачок из ударопрочного пластика
- Предварительно собранный и опломбированный сливной бачок
- Соединение сливного бачка с внутренней резьбой 1/2"
- Объем бачка 10 литров; предустановленный объем смыва 6 литров; можно настроить объем смыва 4,5/7,5/9 литров; объем малого смыва 3 литра для системы двойного смыва. Оставшийся объем можно использовать для быстрого смыва
- Изоляция для предотвращения образования конденсата
- Для панелей и рукояток смыва унитаза TECE
- Возможность установки системы с одинарным или двойным смывом в зависимости от используемой панели смыва
- Система установки панелей смыва "easy fit"
- Монтажный туннель для технологического отверстия, может быть укорочен без инструментов
- Бесшумный гидравлический заливной клапан
- Поперечная пластина для крепления шпилек унитаза (монтажное расстояние 180 или 230 мм)
- Две крепежные шпильки М 12 с гайками
- Две вертикальные опоры для установки унитаза
- Фановый отвод унитаза DN 90 с переходником DN 90/100 из PP
- Переходник также подходит для горизонтального монтажа
- Соединительный комплект унитаза DN 90 с защитными заглушками
Оформить заказ на нашем сайте легко!
Просто добавьте выбранные товары в корзину, а затем перейдите на страницу Корзина, проверьте правильность заказанных позиций и нажмите кнопку «Оформить заказ» или «Быстрый заказ».
Если вам нужно больше информации о том, как оформить заказ самостоятельно, переходите по ссылке.
Если вы хотите оформить заказ по телефону или вам нужно больше информации о товаре, позвоните нам или напишите в любой мессенджер
+7 (495) 1-777-302Оплачивайте покупки удобным способом. В интернет-магазине доступно 4 варианта оплаты:
Наличные при самовывозе или доставке курьером. Специалист свяжется с вами в день доставки, чтобы уточнить время и заранее подготовить сдачу с любой купюры. Вы подписываете товаросопроводительные документы, вносите денежные средства, получаете товар и чек.
Банковской картой при получении. Оплатить заказ банковской картой можно как в нашем офисе, так и с помощью мобильного POS-терминала у курьера. Если вы хотите, оплатить при получении картой, пожалуйста укажите это в заказе.
Безналичный расчет при самовывозе или оформлении в интернет-магазине. Для выставления счета пришлите на электронный адрес info@pro-tece.ru:
1. Ваши реквизиты, для юридических лиц
2. ФИО, для физ. лиц,
3. Список и количество оборудования.
Оплата картой на сайте осуществляется с помощью платежного шлюза ПАО СБЕРБАНК. Соединение с платежным шлюзом и передача информации осуществляется в защищенном режиме с использованием протокола шифрования SSL. В случае если Ваш банк поддерживает технологию безопасного проведения интернет-платежей Verified By Visa или MasterCard SecureCode, для проведения платежа также может потребоваться ввод специального пароля. Здесь нужно ввести номер карты, срок действия и имя держателя.
Получайте ваши заказы в удобное для вас время!
Подробная информация о сроках и условиях доставки доступна по ссылке.
Если Если у вас остались вопросы или вам нужно больше информации, позвоните нам или напишите в любой мессенджер
+7 (495) 1-777-302
С этим товаром покупают
